机器人关节

编码器

配件

应用案例

认证与资质

服务与支持

资料下载

购买与联络

报价与交期

快速交货与货期

机器人关节模组
当前位置:首页 > 机械臂推荐配置

10kg机械臂推荐配置

额定负载

10kg

产品重量

36.5kg

重复定位精度

±0.05mm

工作半径

1300mm

快速搭建协作机器人,节省时间成本

占地面积小,关节可实现±360°旋转

产品参数

机械臂参数

关节运动参数

最大工作半径(mm) 1300
负载(kg) 10
重量(kg) 36.5
重复定位精度(mm) ±0.05
工具速度(m/s) 3
平均功率(W) 500
峰值功率(W) 2000
工作环境温度范围(℃) 0-60
工作环境湿度 90%相对湿度(非冷凝)
安装方式 任意角度安装
防护等级 IP54
机械臂 运动范围(°) 最大速度(°/s)
J1轴: ±360 100
J2轴: ±175 100
J3轴: ±175 180
J4轴: ±175 180
J5轴: ±360 180
J6轴: ±360 180

机械臂推荐配置

负载:10kg

|

臂长:≤1300mm

J6 eRob80H100▯-B▯-18▯▯
J5 eRob80H100▯-B▯-18▯▯
J4 eRob80H100▯-B▯-18▯▯
J3 eRob110H120▯-B▯-18▯▯
J2 eRob142H120▯-B▯▯-18▯▯
J1 eRob142H120▯-B▯▯-18▯▯

产品尺寸

整机外形尺寸

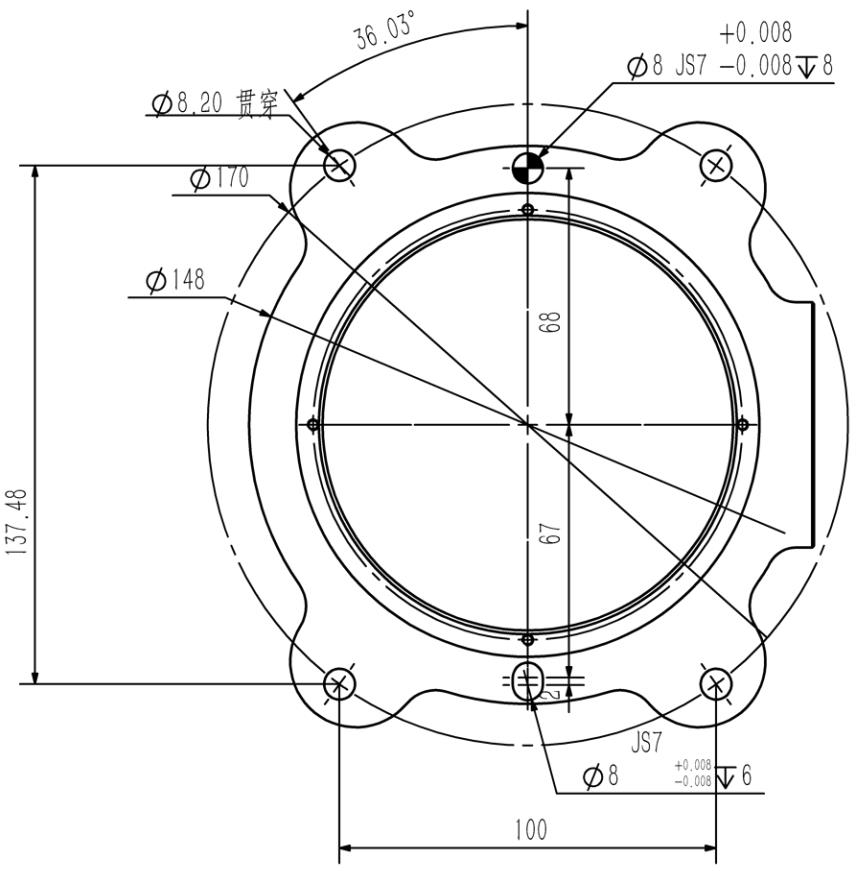
末端法兰

基座俯视图

回顶部